永利最大(官方)网站

招商加盟
服务
留言
联系方式

当前栏目名

您当前的位置:永利最大(官方)网站 > 产品中心 > 电机(马达)展厅

群策立式三相普通马达

群策立式三相普通马达
产品参数:
产品型号: HSL
额定功率:1/2HP-20HP
电压:380V.220V
转速/极数:4极.6极
安装方式:立式

详细参数

  群策立式三相普通马达特性:电机是内轴式,可与相对应的泵直接相配,无需连轴器,从而减小安装空间,装配方便。电机的配合面加工精度高,和泵相配同轴相配,无需专业人士安装,连转平稳,噪音低、发热量小。选购指南:CT-011HP4P3JV系列编号功率代号参照功率表极数4P4极(1450r/min6P6极(960r/min)相数3:三相1:单相安装形式J:卧式X:立式外壳形式V:铸铁W:铁皮功率表:功率代号(马力)1/4HP1/2HP1HP2HP3HP5HP71/2HP10HP15HP20HP25HP30HP40HP功率值(KW018403680735147022053075551373501102514718375220502940    台湾群策 1HP 供应立式油压专用马达、油压电机。

台湾群策马达我公司专业代理台湾群策品牌系列的油压马达,其产品质量更居市场领先地位:
1:
油压马达有内轴形式,可与叶片泵,齿轮泵,润滑泵等直接相配,紧密配合,无须联轴器。易装配,节省空间和成本
2:
马达与泵的配合面加工精度高,与泵同轴相配,无须专业人士安装,运转平稳,噪音低,维修方便。
3:
可保证系统:省电、小型化、低成本。4马力:1/4-20HP  4-6P5油压直结式马达 分卧式 立式 标准出轴式马达 分卧式 ,立式.卧式马达可参考:群策卧式三相普通电机

品质稳定经久耐用,电机满载设计均高於标准值,轴心钢材经热处理高压耐磨寿命长。

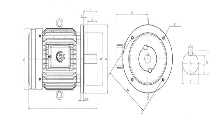
群策立式三相普通马达图纸及参数:

群策立式三相普通马达图纸

群策立式三相普通马达参数

蒲江机电有限公司为你提供各种:蜗轮减速机齿轮减速机齿轮减速马达硬齿面减速机

信誉盛凯国际足球官方(官方)网站/网页版登录入口/手机版登录入口-最新版(已更新) 十大线上盛凯国际推荐(官方)网站/网页版登录入口/手机版登录入口-最新版(已更新) 盛凯国际网上权威推荐(官方)网站/网页版登录入口/手机版登录入口-最新版(已更新) 权威网上boyu·博鱼足球(官方)网站/网页版登录入口/手机版登录入口-最新版(已更新) 真人朗驰娱乐大全足球(官方)网站/网页版登录入口/手机版登录入口-最新版(已更新) 最火PM娱乐城体育(官方)网站/网页版登录入口/手机版登录入口-最新版(已更新) 最大盛凯国际体育赌注(官方)网站/网页版登录入口/手机版登录入口-最新版(已更新) 外围网络188BET体育(官方)网站/网页版登录入口/手机版登录入口-最新版(已更新)