永利最大(官方)网站

招商加盟
服务
留言
联系方式

当前栏目名

您当前的位置:永利最大(官方)网站 > 产品中心 > 电机(马达)展厅

永元立式三相普通电机

永元立式三相普通电机
产品参数:
产品型号: AEVF
额定功率:1/4HP-60HP
电压:380V.220V
转速/极数:1410转
安装方式:AEVF

详细参数

 永元立式三相普通电机Y系列IP44三相异步电动机是全封闭自扇冷却笼型三相异步电动机,它完全符合国际电工委员会(IEC)标准,电动机输出功率与安装尺寸的对应关系与联邦德国DIN4267242673标准相同。安装方式为立式。当安装环境为卧式时可以考虑选择:永元卧式三相普通马达。另外,它适用于一般场所驱动无特殊性能要求的各种机械,如金属切削机床、风机、水泵、运输机械及食品机械等。 有较高的效率水平、震动小、噪声低、功率等级配置合理,多种安装型式供选择,有较好的起动性能,防护性能好,外型美观、结构简单、维护方便。 

1、具有国际互换性:采用IEC制定之国际标准尺寸,具国际互换性。2、特征优异:由于转部惯性小,加速转矩大。
3、振动、噪音小。
4、保养方便:采用高级油封轴承,不须添换润滑油脂,保养方便
5、小型号轻量:框号降低,体小量轻,节省空间、搬运安装容易。
6E/B/F级绝缘材料:采用耐热、耐温、耐化学之B/F级绝缘材料,安全耐用,使用寿命长。
7、保护方式:IP54,防压、防水(溅)、符合国际标准更具安全保障

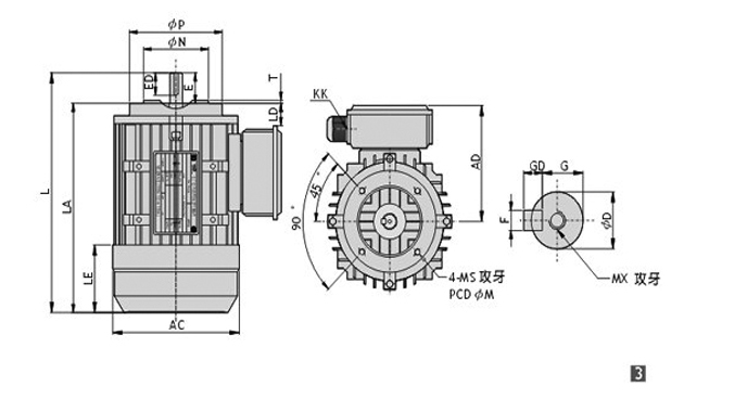
  永元立式三相普通电机图纸及参数:

永元立式三相普通电机图纸

永元立式三相普通电机参数

永元立式三相普通电机参数

信誉盛凯国际足球官方(官方)网站/网页版登录入口/手机版登录入口-最新版(已更新) 十大线上盛凯国际推荐(官方)网站/网页版登录入口/手机版登录入口-最新版(已更新) 盛凯国际网上权威推荐(官方)网站/网页版登录入口/手机版登录入口-最新版(已更新) 权威网上boyu·博鱼足球(官方)网站/网页版登录入口/手机版登录入口-最新版(已更新) 真人朗驰娱乐大全足球(官方)网站/网页版登录入口/手机版登录入口-最新版(已更新) 最火PM娱乐城体育(官方)网站/网页版登录入口/手机版登录入口-最新版(已更新) 最大盛凯国际体育赌注(官方)网站/网页版登录入口/手机版登录入口-最新版(已更新) 外围网络188BET体育(官方)网站/网页版登录入口/手机版登录入口-最新版(已更新)