永利最大(官方)网站

招商加盟
服务
留言
联系方式

当前栏目名

您当前的位置:永利最大(官方)网站 > 产品中心 > 鼓风机展厅

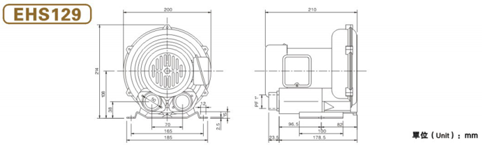
EHS129

EHS129
产品参数:
产品型号: EHS129
额定功率:0.18kw
电压:220v/415v
风量:0.8
风压:50/60,50/40
转速/极数:null
安装方式:null

详细参数

单段鼓风机EHS129特点:
  台湾升鸿高压鼓风机适用范围: 产业机械,塑胶机械,印刷机械,照相制版,电器设备,医疗设备,各式燃烧机,锅炉,环保养殖业等等。

1.安装容易 高压鼓风机 配备齐全,可随时安装与使用,供压缩空气或用于抽真空,也可任意安装于水平或垂直的方向。
  2.可靠性高 与其他厂牌做比较时,在高压力的范围堪称一枝独秀。因此当使用情况变化时,机器仍可安全运转。除了叶轮之外, 高压鼓风机 没有其他动作,因此可靠性之高几乎免维修。
设计卓越的升鸿高压鼓风机 使用独一无二且散热良好的精密外侧轴承,因此它具有下列优点:高压缩比;轴承运转温度低;润滑油脂寿命长;保养容易。
  3.低噪音 高压风机低噪音马达直接运转,在加上一体式的销音设施,因此噪音极低。
  4.无油无污染 叶轮旋转时,不与任何部分零件接触,免润滑,因此可保证百分之百无污染。
  5.最高品质,以台湾高压风机公司专业制造经验,最精密机械设计加上慎重电机配合标准仪器测试,使用所有零件均能达到最高品质要求,运用标准IP54H级绝缘等级马达效率极高,故障极少,马达与鼓风机之间有轴封分离,预防异物进入。同时为确保功能效果,每一台鼓风机在出厂前均经过严格测试。如需在无污染的特殊行业使用,可选择无油风机

 

上一个产品:硬齿面减速机RC系列

下一个产品:EHS229

信誉盛凯国际足球官方(官方)网站/网页版登录入口/手机版登录入口-最新版(已更新) 十大线上盛凯国际推荐(官方)网站/网页版登录入口/手机版登录入口-最新版(已更新) 盛凯国际网上权威推荐(官方)网站/网页版登录入口/手机版登录入口-最新版(已更新) 权威网上boyu·博鱼足球(官方)网站/网页版登录入口/手机版登录入口-最新版(已更新) 真人朗驰娱乐大全足球(官方)网站/网页版登录入口/手机版登录入口-最新版(已更新) 最火PM娱乐城体育(官方)网站/网页版登录入口/手机版登录入口-最新版(已更新) 最大盛凯国际体育赌注(官方)网站/网页版登录入口/手机版登录入口-最新版(已更新) 外围网络188BET体育(官方)网站/网页版登录入口/手机版登录入口-最新版(已更新)