永利最大(官方)网站

招商加盟
服务
留言
联系方式

当前栏目名

您当前的位置:永利最大(官方)网站 > 产品中心 > 减速机展厅

硬齿面减速机JRTK系列

硬齿面减速机JRTK系列
产品参数:
产品型号: JRTK
额定功率:0.12~200KW
电压:null
转速/极数:null
减速比:5.36~17550
安装方式:null

详细参数

  硬齿面减速机JRTK系列为斜齿轮-伞齿轮减速机,有底脚安装斜齿轮,底脚空心轴安装斜齿轮,底脚空心轴锁紧盘安装斜齿轮,B5法兰安装斜齿轮等型号。硬齿面减速机也叫硬齿面减速器或硬齿面减速箱

  硬齿面减速机JRTK系列有以下几种设计方案:

JRTKA..BD:底脚安装斜齿轮--伞齿轮减速电机

JRTKV..B D..:底脚花键空心轴(DIN5480)安装斜齿轮--伞齿

JRTHK..B D..:底脚空心轴锁紧盘安装斜齿轮--伞齿轮减速电机

JRTKF..B5 法兰安装斜齿轮--伞齿轮减速电机

JRTKAF..D:B5法兰空心轴安装斜齿轮--伞齿轮减速电机

JRTKVF..D:B5法兰花键空心轴(DIN5480)安装斜齿轮--伞齿轮减速电机

JRTKHF..D..:B5法兰空心轴锁紧盘安装斜齿轮--伞齿轮减速电机

JRTKA..D..:空心轴安装斜齿轮--伞齿轮减速电机

JRTKV..D..:花键空心轴(DIN5480)安装斜齿轮--伞齿轮减速电机

JRTKH..D:空心轴锁紧盘安装斜齿轮--伞齿轮减速电机

JRTKAZ..D..:B14法兰空心轴安装斜齿轮-伞齿轮减速电机

JRTKVZ..D..:B14法兰花键空心轴(DIN5480)安装斜齿轮--伞齿轮减速电机

JRTKHZ..D..:B14法兰空心轴锁紧盘安装斜齿轮--伞齿轮减速电机。

  硬齿面减速机JRTK系列使用说明:

1.1安装注意事项

  11.1 减速机须安装在平整坚固的底座上,底脚螺栓必须紧固、防震。

  1.1.2 原动机--减速机--工作机的各联接轴伸.安装后必须互相准确对准轴线。

 1.1.3 减速机输入端及输出端轴伸外径尺寸公差均按h6制作.与之相配的联轴器、皮带轮、链轮等传动件内孔须按合适的尺寸公差配制,避免装配过紧损坏轴承.装配过松影响正常动力传递。

  1.1.4 链轮、齿轮等传动件装上轴伸时.应尽量靠近轴承.以减少轴伸弯曲应力。

  1.1.5 WPD型减速机装配电机时,应在蜗杆头部内孔孔壁及键槽处涂抹黄油.避免装配过紧.防止轴孔日久生锈。

  1.1.6 订购使用各类WPD减速机时.若电机重量偏大.应设支撑装置。

1.2使用注意事项

  1.2.1 使用前应注惫检查减速机型式结构、中心距规格、传动比、拍入轴连接方式、输出轴结构、输入轴输出轴轴指向和回转方向等是否符合使用要求。

 1.2.2 按照样本上“油品润滑”中所规定的要求,注入合适的品种牌号润滑油。加油后,旋紧顶部的通气器,拔掉通气器上之小锥塞.减速机方可开始运转.必须选用合适牌号的润滑油.必须控制适宜的加油量。必须按规定要求及时换油.尤其要重视首次使用100小时后的更换新油。

1.2.3 使用过程中发生不正常情况时.应及时停机检查,可参照“故障分析’表处理。(减速机的油温最高允许达到95.在此温度界限下.只要油温不再上升.可以放心使用)。

  杰牌传动,产品遵循模块化、最优化设计理念,致力于打造中国一流的精密传动驱动模块制造基地。 公司全套引进德国技术,拥有世界一流的加工检测生产线,产品出口欧美,替代进口,广泛服务于各大工业领域,专为中高端用户提供高可靠性的传动设备和服务!

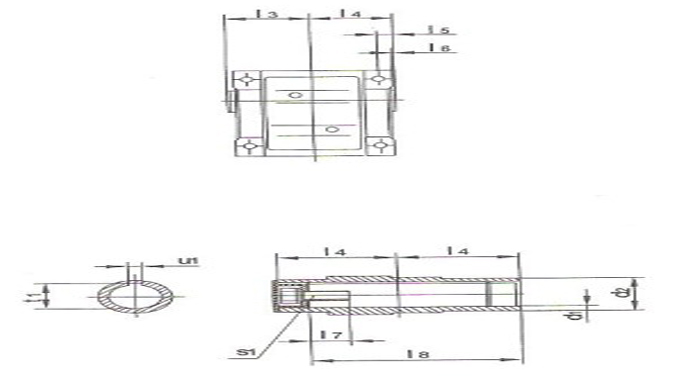
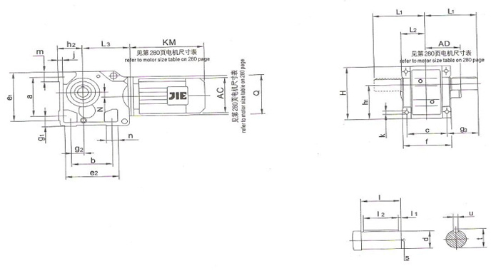
  硬齿面减速机JRTK系列详细图纸:

信誉盛凯国际足球官方(官方)网站/网页版登录入口/手机版登录入口-最新版(已更新) 十大线上盛凯国际推荐(官方)网站/网页版登录入口/手机版登录入口-最新版(已更新) 盛凯国际网上权威推荐(官方)网站/网页版登录入口/手机版登录入口-最新版(已更新) 权威网上boyu·博鱼足球(官方)网站/网页版登录入口/手机版登录入口-最新版(已更新) 真人朗驰娱乐大全足球(官方)网站/网页版登录入口/手机版登录入口-最新版(已更新) 最火PM娱乐城体育(官方)网站/网页版登录入口/手机版登录入口-最新版(已更新) 最大盛凯国际体育赌注(官方)网站/网页版登录入口/手机版登录入口-最新版(已更新) 外围网络188BET体育(官方)网站/网页版登录入口/手机版登录入口-最新版(已更新)