产品快速通道
当前栏目名
您当前的位置:永利最大(官方)网站 > 产品中心 > 减速机展厅蜗轮蜗杆减速机JRSTD..-U系列

- 产品参数:
- 产品型号: JRSTD..-U
- 额定功率:可匹配0.18KW~15KW
- 电压:null
- 转速/极数:null
- 减速比:1/7.5-1/100
- 安装方式:null
详细参数
蜗轮蜗杆减速机JRSTD..-U系列为杰牌减速机有限公司产品,其公司的各种蜗轮蜗杆减速器或蜗轮蜗杆减速箱以其一流的生产管理技术赢得了客户的一致好评。此蜗轮蜗杆减速机JRSTD..-U系列为法兰底脚安装方式
蜗轮蜗杆减速机JRSTD..-U系列产品详情:
1. 采用优质铝合金压铸造箱体,外形轻巧美观、结构紧凑、体积小、重量轻,节省安装空间,不易锈蚀。
2. 散热性能好,安全可靠,效率高。
3. 承载超载能力强,传动平稳,振动小、噪声低。
4. 具有动力输入及转矩输出的多种联接结构,满足各种联接需要;箱体外形设计及底脚孔设置布局适应多种安装方式,通用性强。
5. 中小型箱体为全封闭结构,密封性强,箱体内润滑油不易损耗变质,不需更换,便于维护保养。
蜗轮蜗杆减速机JRSTD..-U系列减速机附加说明:
1. 具有公制IEC及美制NEMA两种马达法兰规格。
2. 减速比范围5:1到3600:1。
3. 使用马力范围小至1、4HP。大至100HP。
4. 使用高品质双唇油封。
5. 蜗杆采用S
6. 300型(含)以上,蜗杆采用
7.蜗轮材质采用高品质之ALBC3 铝青铜具最佳耐磨性。
8.机体外壳采高强度之FC—20灰口铸铁。
9.300型(含)以上机体外壳采更高强度之FCD45球状石墨铸铁。
10.入力轴承使用圆锥滚子轴承。
11.万向型具活动式底座。
12.工业用负载型使用寿命长。
13.一年使用保修。
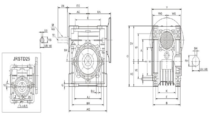
蜗轮蜗杆减速机JRSTD..-U系列详细参数:






粤ICP备11012611号
