产品快速通道
当前栏目名
您当前的位置:永利最大(官方)网站 > 产品中心 > 其他传动专区AMZ

- 产品参数:
- 产品型号: AMZ
- 额定功率:null
- 电压:null
- 风量:null
- 风压:null
- 转速/极数:null
- 减速比:null
- 安装方式:null
详细参数
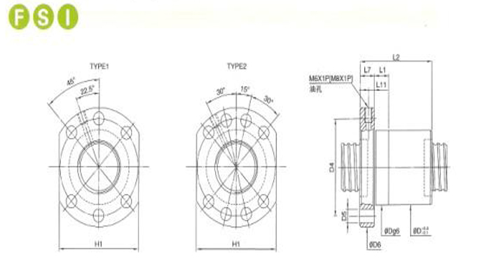
直线系列AMZ直线轴承与轴配合使用在不限行程的直线运动系列中,由于钢球&直线轴间为点接触,因此摩擦力小,运动精度高。
构造: AMZ直线轴承通过保持架和球滚道来调整轴承与轴的线性关系,外套筒采用轴承钢材料,热处理后内外圆经磨削加工。
特点:
①互换性:直线系列AMZ直线轴承德尺寸是标准化的,完全可以互换,为了保证装配精度,直线轴外圆采用磨削加工。
②钢性外套:经淬火处理和精密磨削的轴承钢外套,可以直接装入钢球。
③高精度保持架:整体式的保持架有4~6个滚道回路,为钢球的滚动&轴承的平稳运动提供精确的导向。
应用:直线系列AMZ直线轴承广泛应用于精密装备&用于大批生产的直线运动系统。前者如计算机及其外设、测量仪器、自动记录仪和三维测量装置;后者如多轴钻床、冲床、工具磨床、自动气割机、打印机、卡片分拣机、食品包装机等





粤ICP备11012611号
