产品快速通道
当前栏目名
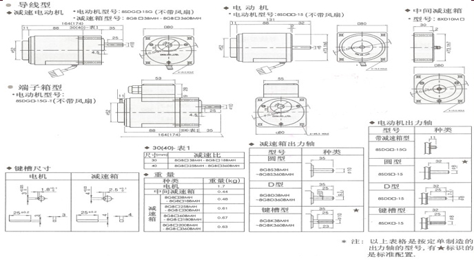
您当前的位置:永利最大(官方)网站 > 产品中心 > 小电机展厅调速电机15W-25W

- 产品参数:
- 产品型号: null
- 额定功率:6W-180W
- 电压:110V/220V
- 转速/极数:4极
- 安装方式:null
详细参数
调速电机15W-25W对于变频电动机,由于临界转差率反比于电源频率,可以在临界转差率接近1时直接启动,因此,过载能力和启动性能不在需要过多考虑,而要解决的关键问题是如何改善电动机对非正弦波电源的适应能力。方式一般如下:
1) 尽可能的减小定子和转子电阻。
减小定子电阻即可降低基波铜耗,以弥补高次谐波引起的铜耗增
2)为抑制电流中的高次谐波,需适当增加电动机的电感。但转子槽漏抗较大其集肤效应也大,高次谐波铜耗也增大。因此,电动机漏抗的大小要兼顾到整个调速范围内阻抗匹配的合理性。
3)变频电动机的主磁路一般设计成不饱和状态,一是考虑高次谐波会加深磁路饱和,二是考虑在低频时,为了提高输出转矩而适当提高变频器的输出电压。









粤ICP备11012611号
