永利最大(官方)网站

招商加盟
服务
留言
联系方式

当前栏目名

您当前的位置:永利最大(官方)网站 > 产品中心 > 小电机展厅

可逆电机90w-120W

可逆电机90w-120W
产品参数:
产品型号: 9RDG
额定功率:90~120W
电压:110~230
转速/极数:1300~1500
安装方式:立式

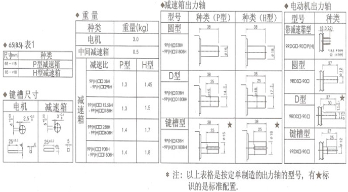
详细参数

    可逆电机除了具有瞬时改变旋转方向这一特点外,其他与普通电机一样,要用电容来连接运行的单相诱导电动机。因此旋转速度和扭矩的特性基本相似,但是可逆电机为了提高瞬间转换正反转功能加大了启动扭矩,所以启动扭矩比普通异步电机的启动扭矩要大。

 

    可逆电机运行时间和温度上升

 

    虽然说明书上标明额定运转时间为30分钟,但是短时间、间歇性地运转时根据运转条件不同而运转时间也不同。可逆电机在短时间、间歇性使用的时候,电机的启动、转换运转方向的时候电流较大,因此电机升温很快,但是把停止运转时间设定长一点,使电机自然冷却,这样能够有效地抑制电机的温度上升。

 

    电机表面温度是电机上升的温度加运转环境温度的值。一般情况下电机外壳的温度在90℃一下并考虑到线圈的绝缘等级,可以连续运转,但是轴承的寿命变短。

 

上一个产品:可逆电机60W

下一个产品:电磁制动电机40W-60W

信誉盛凯国际足球官方(官方)网站/网页版登录入口/手机版登录入口-最新版(已更新) 十大线上盛凯国际推荐(官方)网站/网页版登录入口/手机版登录入口-最新版(已更新) 盛凯国际网上权威推荐(官方)网站/网页版登录入口/手机版登录入口-最新版(已更新) 权威网上boyu·博鱼足球(官方)网站/网页版登录入口/手机版登录入口-最新版(已更新) 真人朗驰娱乐大全足球(官方)网站/网页版登录入口/手机版登录入口-最新版(已更新) 最火PM娱乐城体育(官方)网站/网页版登录入口/手机版登录入口-最新版(已更新) 最大盛凯国际体育赌注(官方)网站/网页版登录入口/手机版登录入口-最新版(已更新) 外围网络188BET体育(官方)网站/网页版登录入口/手机版登录入口-最新版(已更新)