产品快速通道
当前栏目名
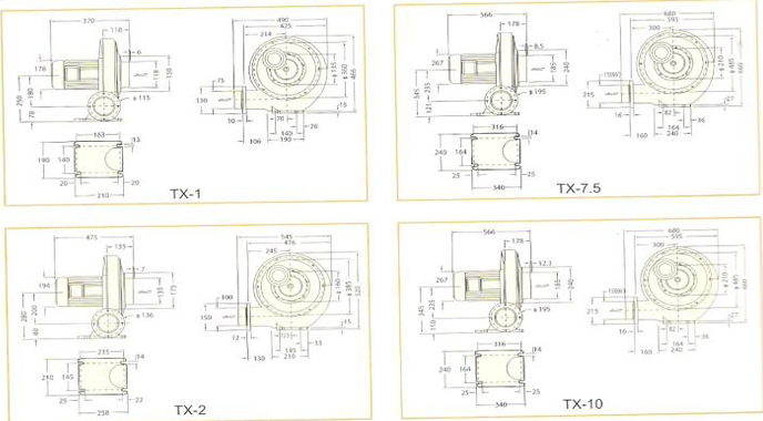
您当前的位置:永利最大(官方)网站 > 产品中心 > 鼓风机展厅TX透浦式鼓风机

- 产品参数:
- 产品型号: TX透浦式鼓风机
- 额定功率:null
- 电压:null
- 风量:null
- 风压:null
- 转速/极数:null
- 安装方式:null
详细参数
TX透浦式鼓风机的特点高压力.重量轻.风量大.寿命长.噪音低.无油无污染.并且用途相当广泛.适合用于机器送风冷却用.干燥机械.木工机械.厨房机械.马达类送风冷却之类等.......
特點:
高壓、大風量、低噪音、輕量化。
採用鋁合金材質,大幅降低重量,達到輕量化的目的。
馬達為I.E.C設計(1HP以上),全閉外扇型鋁框馬達,特殊軸心設計,可適合長時間使用。
特殊葉片設計,壓力高,風量大,噪音低,壽命長。
特殊風量調節風門,風量控制穩定性高,操作容易 (TX.TB.HYB適用)。
樣式種類齊全,庫存多,交貨迅速
小型,重量轻,高风压:前倾式叶片设计,体积小,质量轻且较有高压力之产生。
低噪音:新设计,能消除切风时产生之高频集特殊之消音材质,大幅降低噪音比。
低震动:叶片均经过电脑平衡效正与高精密的机械加工,使震动降到最低。





粤ICP备11012611号
