产品快速通道
当前栏目名
您当前的位置:永利最大(官方)网站 > 产品中心 > 其他传动专区DS心轴分割器

- 产品参数:
- 产品型号: DS心轴分割器
- 额定功率:null
- 电压:null
- 风量:null
- 风压:null
- 转速/极数:null
- 减速比:null
- 安装方式:null
详细参数
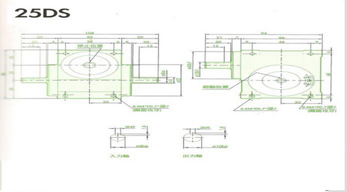
DS心轴分割器用途:专用于模切机行业的1工位间歇分割器转速高,运转平稳,寿命长,已是全国模切机行业间歇分凸轮间歇机构。主要应用在制药机械、纸制品成型机械、印刷机械、食品包装机械、玻璃机械、陶瓷机械、制药机械,喷涂设备,自动送料,机床加工中心,电光源专用设备等多种领域需要把连续运动转化为步进动作的各种自动化机械上。
心轴型凸轮间歇分割器:此系列机种为典型传统心轴造型,其安装配件之加工安装配合齿轮、联轴或联轴盘,需特别注意孔径公差(+0.015/-0)及键槽公差(+0.015/-0),其使用场合在输送带驱动、齿轮驱动、无间隙联轴器结合驱动居多。 心轴型凸轮间歇分割器的规格型号有:心轴型45DS,心轴型60DS,心轴型70DS,心轴型80DS,心轴型83DS心轴型, 100DS,心轴型110DS心轴型,125DS心轴型,140DS心轴型150DS,心轴型180DS,心轴型200DS
1.特点:
⑴.结构简单,主要由凸轮和分度轮两部分组成。
⑵.动作准确,无论在分度区,静止区,都有准确的定位自锁,实现确定的动静比和分度比.
⑶.传动平稳:凸轮曲线的运动特性好,传动光滑连续,振动小,噪声低。
⑷.输出分度精度高:一般输出精度≤±30",精密可达≤±15"。
⑸.高速性能好.
该种类型的分割器由于精度高、速度快、扭矩大、体积小等显著特点,在各种需要步进驱动的自动机械上应用非常广泛,如制药机械、烟草机械、印刷机械、食品包装机械、机床加工中心等











粤ICP备11012611号
