产品快速通道
当前栏目名
您当前的位置:永利最大(官方)网站 > 产品中心 > 电机(马达)展厅永元卧式单相铝壳马达

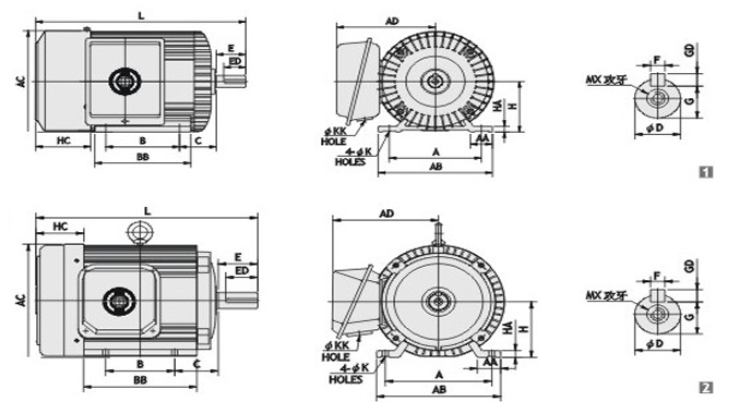
- 产品参数:
- 产品型号: AEEF,AEVF
- 额定功率:1/4HP-60HP
- 电压:220V
- 转速/极数:2级,4级,
- 安装方式:卧式,立式安装
详细参数
永元卧式单相铝壳马达特性:
.採用E級絕緣及高級導電材料,溫升低,壽命長,性能優越。
.外型輕巧,堅固耐用。
.優異的設計,噪音低,運轉安靜。
.啟動轉矩大,慣性小,運轉順暢,省電效果佳,馬達強勁有力。
.特性合乎國家CNS及各項國際認證等標準。
.標準IEC公制尺寸,具有互換性,適合各界需要。
具國際互換性:採用IEC (International Electrotechnical Commission) 制定之國際標準尺寸 ,具國際互換性。
特性優異:由於轉部慣性小,加速轉矩大,起動、 停止時間短,對於起動、停止頻繁之機器可提高其工作效率。
振動、噪音小:機械結構設計完美,加工與組立精良,且經精密之平衡,幾無振動與噪音。
保養方便:採用高級油封軸承,不須添換潤滑油脂,保養方便。
小型輕量:框號降低、體小量輕、節省空間、搬運安裝容易,便於設計施工。
E/B/F級絕緣材料:採用耐熱、耐濕、耐化學之E/B/F級絕緣材料,安全耐用、壽命最長。






粤ICP备11012611号
