产品快速通道
当前栏目名
您当前的位置:永利最大(官方)网站 > 产品中心 > 电机(马达)展厅群策油泵卧式专用马达

- 产品参数:
- 产品型号: HSW
- 额定功率:1/2HP-20HP
- 电压:380V.220V
- 转速/极数:4极.6极
- 安装方式:卧式
详细参数
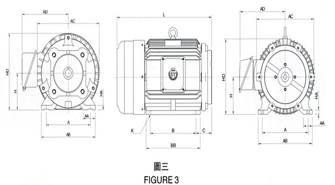
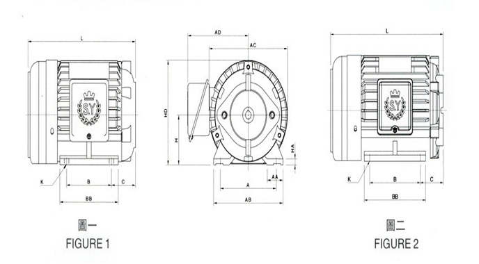
1:油压马达有内轴形式,可与叶片泵,齿轮泵,润滑泵等直接相配,紧密配合, 无须联轴器。易装配,节省空间和成本 。 2:马达与泵的配合面加工精度高,与泵同轴相配,无须专业人士安装,运转平 稳,噪音低,维修方便。 3:可保证系统:省电、小型化、低成本。 4:马力:1/4-20HP 4-6P 5:油压直结式马达 分卧式 立式 标准出轴式马达 分卧式 立式
群策油泵卧式专用马达我公司专业代理台湾群策品牌系列的油压马达,其产品质量更居市场领先地位:1:油压马达有内轴形式,可与叶片泵,齿轮泵,润滑泵等直接相配,紧密配合, 无须联轴器。易装配,节省空间和成本 。2:马达与泵的配合面加工精度高,与泵同轴相配,无须专业人士安装,运转 稳,噪音低,维修方便。3:可保证系统:省电、小型化、低成本。4:马力:1/4-20HP 4-6P5:油压直结式马达 分卧式 立式 标准出轴式马达 分卧式 立式






粤ICP备11012611号
