永利最大(官方)网站

招商加盟
服务
留言
联系方式

当前栏目名

您当前的位置:永利最大(官方)网站 > 产品中心 > 电机(马达)展厅

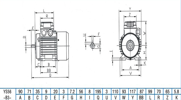
紫光卧式铝壳三相马达

紫光卧式铝壳三相马达
产品参数:
产品型号: YS
额定功率:0.06KW-7.5KW
电压:380V.220V
转速/极数:2级,4级,6极
安装方式:卧式

详细参数

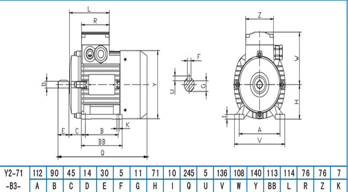
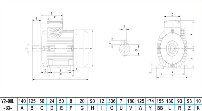
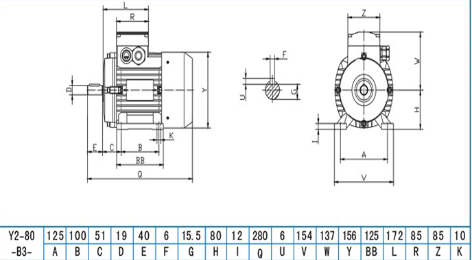
紫光卧式铝壳三相马达功率等级覆盖范围广,有9种机座规格;接线座与机体整体铝合金压铸结构,密封性好,完全符合IP54IP55的外壳防护等级标准;增强散热筋设计,使机组具备更强的冷却能力;精确的动平衡校正及专用的低噪声轴承,使电机动行更加平稳,密封更可靠安全;符合IEC尺寸标准及IM国际安装结构方式,具备优良的互换性。
    
材料选用铝合金外壳,调质处理的40C钢轴,电磁线采用聚酯QZ-2;聚酰亚胺QY-2;硅钢片:DR490-510;轴承:C&UNSKNTNSKF
   
所有通用电机执行统一的制作标准
   
电机功率等级及尺寸:GB4826-84GB4772.2-84;IEC72
   
电气规范:GB755-87IEC34-1
   
结构及安装型式:GB997-81IEC34-7
结构特点:
--
0.025KW-7.5KW的功率等级范围,9种机座规格.
--
接线座与机体整体铝合金压铸结构,密封性好,完全符合IP54IP55外壳防护等级标准.
--
增强散热筋设计,使机组具备更强的冷却能力.在恶劣的环境下维持电机良好的运行性能.
--
精确的动平衡校正及专用的低噪声轴承,使电机运行更加平衡、静音.
--
提供B级、F级绝缘等级制造.
--
预设置的出轴密封装置,与变速机、减速机配套连接时,密封性能可靠安全.
--
符合IEC尺寸标准及IM国际安全结构方式,具备优良的互换性.
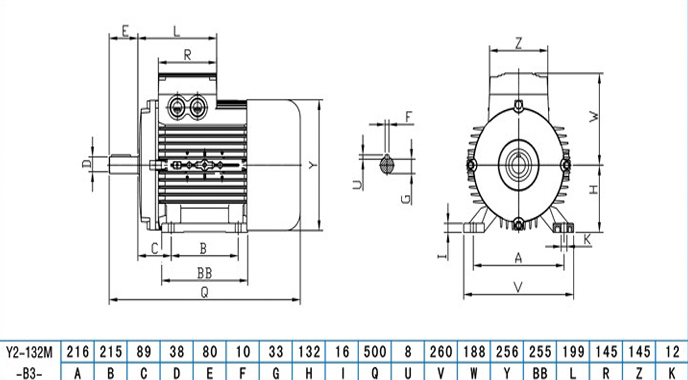
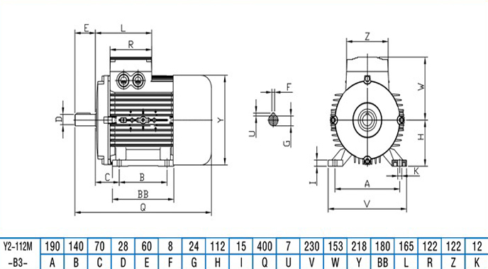
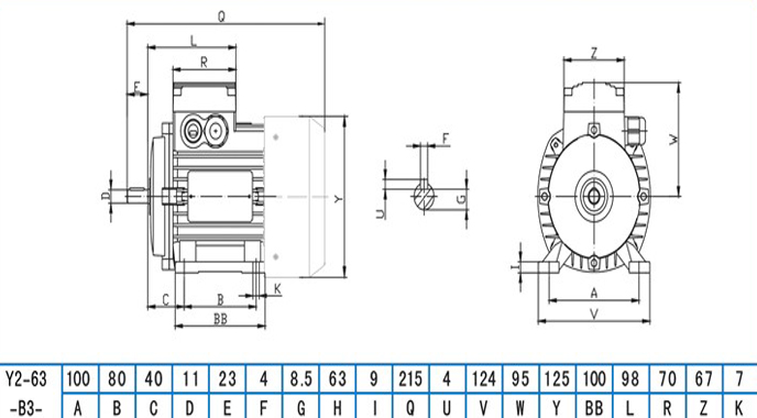
统一标准:
所有通用电机执行统一的制作标准:
--
电机功率等级及尺寸:GB4826-84;GB4772.2-84;IEC72
--
电气规范:GB755-87;IEC34-1
--
结构及安装型式:GB997-81;IEC34-7
--
外壳防护等级:GB4942.1-85;IEC34-5
--
冷却方式:GB/T1993-93;IEC34-6
外壳防护等级:
电机的外壳防护等级表示电机在以下两个方面的防护能力:
(1)
防止人体接触电机内部带电或转动部分和防止固体异物进入电机内部的能力
(2)
防止水进入电机内部的能力



信誉盛凯国际足球官方(官方)网站/网页版登录入口/手机版登录入口-最新版(已更新) 十大线上盛凯国际推荐(官方)网站/网页版登录入口/手机版登录入口-最新版(已更新) 盛凯国际网上权威推荐(官方)网站/网页版登录入口/手机版登录入口-最新版(已更新) 权威网上boyu·博鱼足球(官方)网站/网页版登录入口/手机版登录入口-最新版(已更新) 真人朗驰娱乐大全足球(官方)网站/网页版登录入口/手机版登录入口-最新版(已更新) 最火PM娱乐城体育(官方)网站/网页版登录入口/手机版登录入口-最新版(已更新) 最大盛凯国际体育赌注(官方)网站/网页版登录入口/手机版登录入口-最新版(已更新) 外围网络188BET体育(官方)网站/网页版登录入口/手机版登录入口-最新版(已更新)